Please choose your delivery location

The selection of the country/region page can influence various factors such as price, shipping options and product availability.
Contact
igus® Ireland

51A Caswell Road

Brackmills

Northampton NN4 7PW

+44 1604 677240
igus® Ltd.

Caswell Road

Northampton, NN4 7PW

01604 677240
IE(EN)

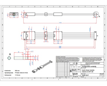
drylin® SHT drive technology configurator

You define your linear axis. We deliver it!

Save time and reduce costs. Put together your SHT linear module with lead screw easily online with just a few mouse clicks. Installation size, materials, lead screw pitches, multiple carriages, right/left opposite drive, end machining. We can do it all. Does your linear module fit into your application environment? You can check this very easily – the 3D CAD model and the 2D PDF dimensional drawing are included. Do you want to operate your linear module manually or by means of a motor? We can do either. Just choose accessories and the right motor. And how do you control your motor or linear axis? igus® can do that, too. Simply order the appropriate dryve motor control system at the same time. And how do I place an order? Put in the shopping cart, place the order, and receive your delivery. That is igus® service.
Go to SHT configurator
Configure SHT linear axes with lead scew

In a few steps to the linear axis with lead screw drive

drylin® SHT configurator
  • Choice of four installation sizes
  • Trapezoidal thread or dryspin® high helix thread
  • Single and multiple carriage versions
  • Can also be configured to be FDA-compliant for the food and pharmaceuticals sectors
  • NEW: NEMA stepper motors; EC/DC direct current motors, dryve motor control systems,  proximity switches, connecting cable

drylin® SHT drive technology configurator 1. Enter application parameters
drylin® SHT drive technology configurator 2. System configuration
drylin® SHT drive technology configurator 3. Configure drive pin or accessory
drylin® SHT drive technology configurator 4. Check summary
drylin® SHT drive technology configurator 5. View interactive 3D CAD model
drylin® SHT drive technology configurator 6. Download PDF dimensional drawing

Tech up with igus Tech up
  • Online configuration tool for SHT linear modules
  • Configuration of single or multiple-carriage systems
  • Fast dryspin® high helix thread or self-locking trapezoidal thread
  • Ready-to-connect configuration
Cost down with igus

Cost down

    • Simple online configuration of a linear module
    • All parts fit together
    • Reduced design time due to ready-to-connect system (linear module/motor/dryve motor control system)
    • Incl. 2D dimensional drawing and 3D CAD model
    igus proves it Proof
    • Service life can be calculated online
    • All configuration models clear and plausible
    • incl. 2D dimensional drawing and 3D CAD model
    igus is sustainable Sustainability
    • igus supports the circular economy of plastics and is investing in chemical recycling. Learn more about this topic at: Plastic2Oil


    Consulting

    I would be happy to answer your questions

    Shipping and consultation

    In person:

    Monday to Friday from 8am - 8pm.

    Online:

    24h


    The terms "Apiro", "AutoChain", "CFRIP", "chainflex", "chainge", "chains for cranes", "ConProtect", "cradle-chain", "CTD", "drygear", "drylin", "dryspin", "dry-tech", "dryway", "easy chain", "e-chain", "e-chain systems", "e-ketten", "e-kettensysteme", "e-loop", "energy chain", "energy chain systems", "enjoyneering", "e-skin", "e-spool", "fixflex", "flizz", "i.Cee", "ibow", "igear", "iglidur", "igubal", "igumid", "igus", "igus improves what moves", "igus:bike", "igusGO", "igutex", "iguverse", "iguversum", "kineKIT", "kopla", "manus", "motion plastics", "motion polymers", "motionary", "plastics for longer life", "print2mold", "Rawbot", "RBTX", "RCYL", "readycable", "readychain", "ReBeL", "ReCyycle", "reguse", "robolink", "Rohbot", "savfe", "speedigus", "superwise", "take the dryway", "tribofilament", "tribotape", "triflex", "twisterchain", "when it moves, igus improves", "xirodur", "xiros" and "yes" are legally protected trademarks of the igus® SE & Co. KG/ Cologne in the Federal Republic of Germany and where applicable in some foreign countries. This is a non-exhaustive list of trademarks (e.g. pending trademark applications or registered trademarks) of igus SE & Co. KG or affiliated companies of igus in Germany, the European Union, the USA and/or other countries or jurisdictions.

    igus® SE & Co. KG points out that it does not sell any products of the companies Allen Bradley, B&R, Baumüller, Beckhoff, Lahr, Control Techniques, Danaher Motion, ELAU, FAGOR, FANUC, Festo, Heidenhain, Jetter, Lenze, LinMot, LTi DRiVES, Mitsubishi, NUM,Parker, Bosch Rexroth, SEW, Siemens, Stöber and all other drive manufacturers mention on this website. The products offered by igus® are those of igus® SE & Co. KG