Please choose your delivery location

The selection of the country/region page can influence various factors such as price, shipping options and product availability.
Contact
igus® Ireland

51A Caswell Road

Brackmills

Northampton NN4 7PW

+44 1604 677240
igus® Ltd.

Caswell Road

Northampton, NN4 7PW

01604 677240
IE(EN)

SHT-12-ZB-AWM-10x12

Zero-backlash threaded nut in linear axis

The approved SHT linear module is now supplemented by an additional component, the self-adjusting zero-backlash threaded nut. For movements that require repeat accuracy and those which are implemented using steep thread 10x12 and 10x50, the ZB provides for a minimal life-long backlash.

Lubricant- and maintenance-free

High precision independent of load

Self-adjusting

Quiet

Resistant to corrosion


Application areas:Lab and medical technology, general mechanical engineering

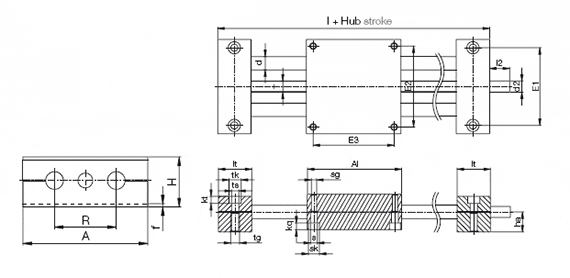
Dimensions [mm]

Ordering number Stroke length steel shaft
additional weight
Max. stat. load capacity A Al H E1 E2 E3    
    [kg] (per 100 mm)[kg] axial[N] radial[N] -0,3 -0,3   +0,15 +0,15 +0,15    
Delivery time on request SHT-08-ZB-AWM-6.35X12.7 (1) 300 0 100 400 65 65 23 52 55 55 Upon request Add to shopping cart
Usually dispatched within 8 working days SHT-08-ZB-AWM-6X2P1 (1) 300 0 100 400 65 65 23 52 55 55 Upon request Add to shopping cart
Usually dispatched within 4 weeks SHT-12-ZB-10X12 (1) 500 0.8 0.2 150 600 85 34 70 73 73 Upon request Add to shopping cart
More about selected part:
3D-CAD 3D-CAD
Sample request Sample request
PDF PDF
Quote request Quote request
myCatalog myCatalog

(1) Tapered off spindle end

Ordering number I R f lt tk
±0,1
ts tg kt
±0,1
s sk sg kq d T l2 d2 ha
Delivery time on request SHT-08-ZB-AWM-6.35X12.7 (1) 96 32 1.5 15.5 10 5.5 M6 7 4.2 8 M5 4.6 8 6,35x12,7 17 6,35 13
Usually dispatched within 8 working days SHT-08-ZB-AWM-6X2P1 (1) 96 32 1.5 15.5 10 5.5 M6 7 4.2 8 M5 4.6 8 TR6x2 17 TR6x2 13
Usually dispatched within 4 weeks SHT-12-ZB-10X12 (1) 2 11 6.6 M8 6.4 6.3 10 M6 6 12 17 10x12
More about selected part:
3D-CAD 3D-CAD
Sample request Sample request
PDF PDF
Quote request Quote request
myCatalog myCatalog

(1) Tapered off spindle end


Usually dispatched within 8 working days
Usually dispatched within 4 weeks
Delivery time on request

The terms "Apiro", "AutoChain", "CFRIP", "chainflex", "chainge", "chains for cranes", "ConProtect", "cradle-chain", "CTD", "drygear", "drylin", "dryspin", "dry-tech", "dryway", "easy chain", "e-chain", "e-chain systems", "e-ketten", "e-kettensysteme", "e-loop", "energy chain", "energy chain systems", "enjoyneering", "e-skin", "e-spool", "fixflex", "flizz", "i.Cee", "ibow", "igear", "iglidur", "igubal", "igumid", "igus", "igus improves what moves", "igus:bike", "igusGO", "igutex", "iguverse", "iguversum", "kineKIT", "kopla", "manus", "motion plastics", "motion polymers", "motionary", "plastics for longer life", "print2mold", "Rawbot", "RBTX", "RCYL", "readycable", "readychain", "ReBeL", "ReCyycle", "reguse", "robolink", "Rohbot", "savfe", "speedigus", "superwise", "take the dryway", "tribofilament", "tribotape", "triflex", "twisterchain", "when it moves, igus improves", "xirodur", "xiros" and "yes" are legally protected trademarks of the igus® SE & Co. KG/ Cologne in the Federal Republic of Germany and where applicable in some foreign countries. This is a non-exhaustive list of trademarks (e.g. pending trademark applications or registered trademarks) of igus SE & Co. KG or affiliated companies of igus in Germany, the European Union, the USA and/or other countries or jurisdictions.

igus® SE & Co. KG points out that it does not sell any products of the companies Allen Bradley, B&R, Baumüller, Beckhoff, Lahr, Control Techniques, Danaher Motion, ELAU, FAGOR, FANUC, Festo, Heidenhain, Jetter, Lenze, LinMot, LTi DRiVES, Mitsubishi, NUM,Parker, Bosch Rexroth, SEW, Siemens, Stöber and all other drive manufacturers mention on this website. The products offered by igus® are those of igus® SE & Co. KG