 
        Compact design
lubrication-free operation based on drylin® N miniature guide
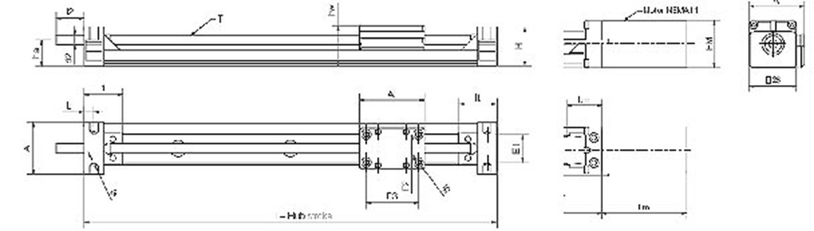
installation-ready and tested miniature linear axis with motor
Ball bearing for optimised, low-backlash, dynamic operation
Available in three lead screw pitches: M5 thread (5x0.8mm), high helix thread 5x5 and 6x12.7
 
         
                | Ordering number | Stroke length | Weight | additional (per 100 mm) | Max. stat. load capacity | Max. speed | Max. drive torque | |||
|---|---|---|---|---|---|---|---|---|---|
| [g] | [g] | axial[N] | radial[N] | [U/min] | [Nm] | ||||
| SLN-27-14-0050-100-11-L-S-000 | 100 | 60 | 40 | 10 | 40 | 300 | 0.1 | Upon request | |
| SLN-27-14-0050-150-11-L-S-000 | 150 | 60 | 40 | 10 | 40 | 300 | 0.1 | Upon request | |
| SLN-27-14-0050-200-11-L-S-000 | 200 | 60 | 40 | 10 | 40 | 300 | 0.1 | Upon request | |
| SLN-27-14-0050-250-11-L-S-000 | 200 | 60 | 40 | 10 | 40 | 300 | 0.1 | Upon request | |
| SLN-27-15-0050-100-11-L-S-000 | 100 | 60 | 40 | 10 | 40 | 300 | 0.1 | Upon request | |
| SLN-27-15-0050-150-11-L-S-000 | 150 | 60 | 40 | 10 | 40 | 300 | 0.1 | Upon request | |
| SLN-27-15-0050-200-11-L-S-000 | 200 | 60 | 40 | 10 | 40 | 300 | 0.1 | Upon request | |
| SLN-27-15-0050-250-11-L-S-000 | 250 | 60 | 40 | 10 | 40 | 300 | 0.1 | Upon request | |
| Ordering number | A | Al | H | E1 | E2 | E3 | l | hw | lt | lb | ts | tg | T | d2 | l2 | ha | ||
|---|---|---|---|---|---|---|---|---|---|---|---|---|---|---|---|---|---|---|
| ±0,2 | -0,1 | ±0,2 | ±0,15 | ±0,15 | ±0,15 | ±0,2 | ±0,2 | |||||||||||
| SLN-27-14-0050-100-11-L-S-000 | 28 | 35 | 21.5 | 20.5 | 15 | 28 | 76 | 22 | 20.2 | 5 | 3.5 | M3 | M5 | 15 | 14 | Upon request | ||
| SLN-27-14-0050-150-11-L-S-000 | 28 | 35 | 21.5 | 20.5 | 15 | 28 | 76 | 22 | 20.2 | 5 | 3.5 | M3 | M5 | 15 | 14 | Upon request | ||
| SLN-27-14-0050-200-11-L-S-000 | 28 | 35 | 21.5 | 20.5 | 15 | 28 | 76 | 22 | 20.2 | 5 | 3.5 | M3 | M5 | 15 | 14 | Upon request | ||
| SLN-27-14-0050-250-11-L-S-000 | 28 | 35 | 21.5 | 20.5 | 15 | 28 | 76 | 22 | 20.2 | 5 | 3.5 | M3 | M5 | 15 | 14 | Upon request | ||
| SLN-27-15-0050-100-11-L-S-000 | 28 | 35 | 21.5 | 20.5 | 15 | 28 | 76 | 22 | 20.2 | 5 | 3.5 | M3 | M5 | 15 | 14 | Upon request | ||
| SLN-27-15-0050-150-11-L-S-000 | 28 | 35 | 21.5 | 20.5 | 15 | 28 | 76 | 22 | 20.2 | 5 | 3.5 | M3 | M5 | 15 | 14 | Upon request | ||
| SLN-27-15-0050-200-11-L-S-000 | 28 | 35 | 21.5 | 20.5 | 15 | 28 | 76 | 22 | 20.2 | 5 | 3.5 | M3 | M5 | 15 | 14 | Upon request | ||
| SLN-27-15-0050-250-11-L-S-000 | 28 | 35 | 21.5 | 20.5 | 15 | 28 | 76 | 22 | 20.2 | 5 | 3.5 | M3 | M5 | 15 | 14 | Upon request | 
| Order number | ltm | HM | AI | li | l | Lm | ||
|---|---|---|---|---|---|---|---|---|
| SLN-27-14-0050-100-11-L-S-000 | 20.5 | 28 | 33 | 25 | 83 | variable | Upon request | |
| SLN-27-14-0050-150-11-L-S-000 | 20.5 | 28 | 33 | 25 | 83 | variable | Upon request | |
| SLN-27-14-0050-200-11-L-S-000 | 20.5 | 28 | 33 | 25 | 83 | variable | Upon request | |
| SLN-27-14-0050-250-11-L-S-000 | 20.5 | 28 | 33 | 25 | 83 | variable | Upon request | |
| SLN-27-15-0050-100-11-L-S-000 | 20.5 | 28 | 33 | 25 | 83 | variable | Upon request | |
| SLN-27-15-0050-150-11-L-S-000 | 20.5 | 28 | 33 | 25 | 83 | variable | Upon request | |
| SLN-27-15-0050-200-11-L-S-000 | 20.5 | 28 | 33 | 25 | 83 | variable | Upon request | |
| SLN-27-15-0050-250-11-L-S-000 | 20.5 | 28 | 33 | 25 | 83 | variable | Upon request |