Please choose your delivery location

The selection of the country/region page can influence various factors such as price, shipping options and product availability.
Contact
igus® Ireland

51A Caswell Road

Brackmills

Northampton NN4 7PW

+44 1604 677240
igus® Ltd.

Caswell Road

Northampton, NN4 7PW

01604 677240
IE(EN)

Office chain OCO - Design study

Easy to fill with "easy" design

The office chain OCO.20 is a simple energy supply system for the office. It has no defined radius and can be moved in two directions. It can also be shortened or lengthened very easily. The mounting brackets look very similar to the chain links and differ in the built-in magnets with which the OCO can be easily attached to a metal desk. A screw connection for desk fitting is also possible, for which two small holes are provided.
Submit an enquiry now

Tech up

Tech up

  • Optimised design
  • Flexible fitting
  • Easy to lengthen and shorten
  • Mounting brackets with mounted magnets for
    easy attachment
  • Good holding force of the e-chain® links up to 150N
Cost down

Cost down

  • Save installation time and cost with tool-free filling due to "easy" design
  • Order to required length
  • Cost-effective purchase
Proof

Proof

  • OCO.20 tensile test of e-chain® holding force: 3D printed prototypes have undergone successful tensile testing, showing a holding force of 420 N
Sustainability

Sustainability

  • Free of bisphenol A (BPA-free)
  • 100% halogen-free, particularly suitable for use in public buildings
  • Have your energy chains recycled as part of the igus chainge recycling programme at the end
    of their life cycle. Irrespective of the manufacturer. You can receive a chainge recycling programme voucher
  • igus supports the circular economy of plastics and invests in chemical recycling

Office chain OCO.20


 

It's simple:

The opening according to the easy principle is not in the middle, but staggered to the side. By installing the chain links alternately, the slots are staggered, which ensures that the cables can be easily inserted but at the same time cannot fall out.
Office chain OCO.20

 
Built-in magnets for easy attachment to metal desks
Office chain OCO.20

 
Screw connection also possible as an option

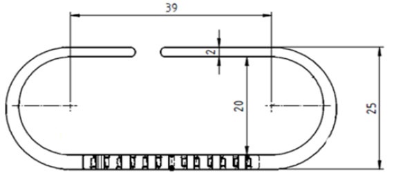
Technical data

Office chain OCO.20 - Technical data


 

Part No.Inner heightOuter heightInner widthOuter width
OCO.2020 mm25 mm39 mm64 mm

Available upon request
 
Submit an enquiry now

Similar products

Office chain OCR

Office chain OCR

Magnetic assembly clips for free intermediate connection and easy clipping on the chain
Office chain ZF14

Office chain ZF14

Cables are fitted quickly. e-chain quickly attached and UL94-V2 certified
triflex R

3-axis energy chain triflex R

Easy design - for simple and fast filling. Approximately +/- 10° torsion per chain link

Further information

News 2020

Overview of e-chain news 2020

Discover here further e-chains news 2020 for different applications.
New products catalogue 2020

News product catalogue 2020

All the information you need about our new products and additions to the product range in the free catalogue.
Energy chains

Energy chains

Very different installation spaces and environments.  Large product selection – find the right solution at once. With a 36-month guarantee.


The terms "Apiro", "AutoChain", "CFRIP", "chainflex", "chainge", "chains for cranes", "ConProtect", "cradle-chain", "CTD", "drygear", "drylin", "dryspin", "dry-tech", "dryway", "easy chain", "e-chain", "e-chain systems", "e-ketten", "e-kettensysteme", "e-loop", "energy chain", "energy chain systems", "enjoyneering", "e-skin", "e-spool", "fixflex", "flizz", "i.Cee", "ibow", "igear", "iglidur", "igubal", "igumid", "igus", "igus improves what moves", "igus:bike", "igusGO", "igutex", "iguverse", "iguversum", "kineKIT", "kopla", "manus", "motion plastics", "motion polymers", "motionary", "plastics for longer life", "print2mold", "Rawbot", "RBTX", "RCYL", "readycable", "readychain", "ReBeL", "ReCyycle", "reguse", "robolink", "Rohbot", "savfe", "speedigus", "superwise", "take the dryway", "tribofilament", "tribotape", "triflex", "twisterchain", "when it moves, igus improves", "xirodur", "xiros" and "yes" are legally protected trademarks of the igus® SE & Co. KG/ Cologne in the Federal Republic of Germany and where applicable in some foreign countries. This is a non-exhaustive list of trademarks (e.g. pending trademark applications or registered trademarks) of igus SE & Co. KG or affiliated companies of igus in Germany, the European Union, the USA and/or other countries or jurisdictions.

igus® SE & Co. KG points out that it does not sell any products of the companies Allen Bradley, B&R, Baumüller, Beckhoff, Lahr, Control Techniques, Danaher Motion, ELAU, FAGOR, FANUC, Festo, Heidenhain, Jetter, Lenze, LinMot, LTi DRiVES, Mitsubishi, NUM,Parker, Bosch Rexroth, SEW, Siemens, Stöber and all other drive manufacturers mention on this website. The products offered by igus® are those of igus® SE & Co. KG