Please choose your delivery location

The selection of the country/region page can influence various factors such as price, shipping options and product availability.
Contact
igus® Ireland

51A Caswell Road

Brackmills

Northampton NN4 7PW

+44 1604 677240
igus® Ltd.

Caswell Road

Northampton, NN4 7PW

01604 677240
IE(EN)

drylin® N - Low profile linear guide system NK-02-80

Version 02 - standard with threaded hole
Version 12 - coated with threaded hole
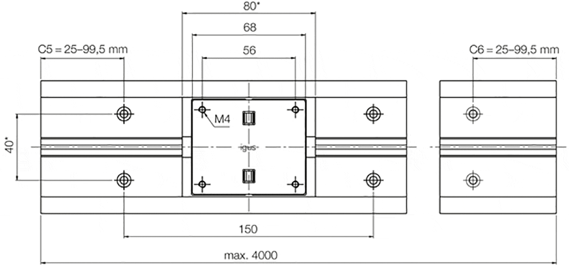
Part No. Max. rail lengths a C4 A3 C5=C6 h h1 K1* ly lz Rail weight Price / m  
  [L max.]       Min. max.       [mm2] [mm2] [g/m]    
Usually dispatched within 1 working day NS-01-80 4000 80 150 40 25 99.5 11 1.5 M4 271200 2900 1140 72.20 EUR Add to shopping cart
Usually dispatched within 8 working days NS-01-80-AR 4000 80 150 0 20 99.5 11 1.5 27120 2900 1140 86.65 EUR Add to shopping cart
Usually dispatched within 1 working day NS-01-80-UNGEBOHRT 4000 80 0 0 11 1.5 27120 2900 1140 64.63 EUR Add to shopping cart
More about selected part:
3D-CAD 3D-CAD
Sample request Sample request
PDF PDF
Quote request Quote request
myCatalog myCatalog

For unbored rails please indicate "Unbored" in the remark.
* for cylinder screw with low head

Version 02 - standard with threaded hole:

Order no. Designation Weight of carriage    
    [g]    
Usually dispatched within 1 working day NW-02-80 Standard carriage 100 16.38 EUR Add to shopping cart
Usually dispatched within 1 working day NW-02-80-LLY Standard carriage, floating bearing y-direction 100 16.38 EUR Add to shopping cart
Usually dispatched within 8 working days NW-02-80-LLZ Standard carriage, floating bearing in z-direction 100 16.38 EUR Add to shopping cart
Usually dispatched within 8 working days NW-02-80-LLYZ Standard carriage, floating bearing y- and z-direction 100 16.38 EUR Add to shopping cart
More about selected part:
3D-CAD 3D-CAD
Sample request Sample request
PDF PDF
Quote request Quote request
myCatalog myCatalog

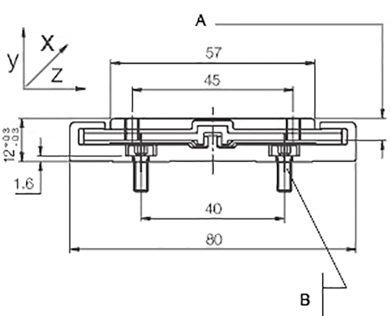
Version 02: Dimensions [mm] - guide carriages

Part. No. H A C C1 C2 A2 H2 K2 K3 K4 Spmin. DpØmin. Weight
  ±0,35                       [g/m]
Usually dispatched within 1 working day NW-02-80 12 57 80 68 56 45 0 M4 0 0 100
Usually dispatched within 1 working day NW-02-80-LLY 12 57 80 68 56 45 0 M4 0 0 100
Usually dispatched within 8 working days NW-02-80-LLZ 12 57 80 68 56 45 0 M4 0 0 100
Usually dispatched within 8 working days NW-02-80-LLYZ 12 57 80 68 56 45 0 M4 0 0 100
More about selected part:
3D-CAD 3D-CAD
Sample request Sample request
PDF PDF
Quote request Quote request
myCatalog myCatalog

Version 12 - coated with threaded hole:

Order no. Designation Weight of carriage    
   : [g]    
Usually dispatched within 1 working day NW-12-80 Moulded carriage 100 16.38 EUR Add to shopping cart
Usually dispatched within 8 working days NW-12-80-LLY Moulded carriage, floating bearing y-direction 100 16.38 EUR Add to shopping cart
Usually dispatched within 8 working days NW-12-80-LLZ Moulded carriage, floating bearing z-direction 100 16.38 EUR Add to shopping cart
Usually dispatched within 8 working days NW-12-80-LLYZ Moulded carriage, floating bearing y and z-direction 100 16.38 EUR Add to shopping cart
More about selected part:
3D-CAD 3D-CAD
Sample request Sample request
PDF PDF
Quote request Quote request
myCatalog myCatalog

Version 12: Dimensions [mm] - guide carriages

Part. No. H A C C1 C2 A2 H2 K2 K3 K4 Spmin. DpØmin. Weight
  ±0,35                       [g/m]
Usually dispatched within 1 working day NW-12-80 12 57 83 68 56 45 0 M4 0 0 100
Usually dispatched within 8 working days NW-12-80-LLY 12 57 83 68 56 45 0 M4 0 0 100
Usually dispatched within 8 working days NW-12-80-LLZ 12 57 83 68 56 45 0 M4 0 0 100
Usually dispatched within 8 working days NW-12-80-LLYZ 12 57 83 68 56 45 0 M4 0 0 100
More about selected part:
3D-CAD 3D-CAD
Sample request Sample request
PDF PDF
Quote request Quote request
myCatalog myCatalog

Ordering of a complete system

Configuration in few steps:

1. Selection of the number of carriages
2. Selection of the type of carriagel
3. Entry of the rail length in mm
4. Selection of the carriage options
5.

Hint:

Detailed information can be found below in the drawings as well as in the below-mentioned pages. You can obtain precise specifications on the floating bearing options within the design rules.
1

no floating bearing

2

Floating bearing in z-direction

3

Floating bearing in y-direction

4

Floating bearing in yz-direction

drylin® NK – complete set

Step 1

Enter the required number of carriages.

technical drawing
No. of carriages:

* Carriage length in version NW-12-80 = 83 mm
M4 (max. tightening torque 1.2 Nm)

Static load capacity and moments of inertia of an area

A = Depth for screw tightening max. 6,5 mm
B = M4 (max. tightening torque 2,0 Nm)>
DIN 7984/DIN 6912/DIN 84
EN ISO 1707

Usually dispatched within 1 working day
Usually dispatched within 8 working days

The terms "Apiro", "AutoChain", "CFRIP", "chainflex", "chainge", "chains for cranes", "ConProtect", "cradle-chain", "CTD", "drygear", "drylin", "dryspin", "dry-tech", "dryway", "easy chain", "e-chain", "e-chain systems", "e-ketten", "e-kettensysteme", "e-loop", "energy chain", "energy chain systems", "enjoyneering", "e-skin", "e-spool", "fixflex", "flizz", "i.Cee", "ibow", "igear", "iglidur", "igubal", "igumid", "igus", "igus improves what moves", "igus:bike", "igusGO", "igutex", "iguverse", "iguversum", "kineKIT", "kopla", "manus", "motion plastics", "motion polymers", "motionary", "plastics for longer life", "print2mold", "Rawbot", "RBTX", "RCYL", "readycable", "readychain", "ReBeL", "ReCyycle", "reguse", "robolink", "Rohbot", "savfe", "speedigus", "superwise", "take the dryway", "tribofilament", "tribotape", "triflex", "twisterchain", "when it moves, igus improves", "xirodur", "xiros" and "yes" are legally protected trademarks of the igus® SE & Co. KG/ Cologne in the Federal Republic of Germany and where applicable in some foreign countries. This is a non-exhaustive list of trademarks (e.g. pending trademark applications or registered trademarks) of igus SE & Co. KG or affiliated companies of igus in Germany, the European Union, the USA and/or other countries or jurisdictions.

igus® SE & Co. KG points out that it does not sell any products of the companies Allen Bradley, B&R, Baumüller, Beckhoff, Lahr, Control Techniques, Danaher Motion, ELAU, FAGOR, FANUC, Festo, Heidenhain, Jetter, Lenze, LinMot, LTi DRiVES, Mitsubishi, NUM,Parker, Bosch Rexroth, SEW, Siemens, Stöber and all other drive manufacturers mention on this website. The products offered by igus® are those of igus® SE & Co. KG