Please choose your delivery location

The selection of the country/region page can influence various factors such as price, shipping options and product availability.
Contact
igus® Ireland

51A Caswell Road

Brackmills

Northampton NN4 7PW

+44 1604 677240
igus® Ltd.

Caswell Road

Northampton, NN4 7PW

01604 677240
IE(EN)

Cross slide drylin® SHT/SHT-PL

Special properties cross slide

High precision, extreme stiffening and precise alignment through CNC production

Available as standard and preload version

100% lubricant-free and completely corrosion-free

Adjustments by trapezoidal thread TR 10x2

Mounting of upper unit with right or left alignment possible

Available accessories (hand wheel, cursor ...)

Cross slide

Suitable for this cross slide parts:


SHT/SHT-PL - cross slide


Ordering a complete cross slide system

Configuration of cross slide in few steps:

1. Selection of the installation size
2. Selection of the stroke length in mm
3. Selection of the accessory parts

Hint:

Detailed information can be found below in the drawings and tables as well as in the below mentioned pages.

drylin® SHT/SHT-PL - cross slide - complete system

Step 1

Select the installation size of the cross slide.

technical drawing
Installation size:

More information and cross slide accessories


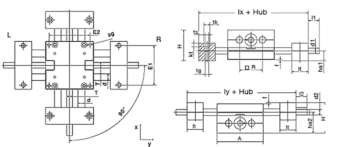
Cross slide lengths and weights [mm]

Order no. A
-0.3
[mm]
H
 
[mm]
E1
±0,15
[mm]
E2
±0,15
[mm]
Base-
length lx
[mm]
Base-
length ly
[mm]
R
 
[mm]
f
 
[mm]
lt
±0,1
[mm]
tk
 
[mm]
ts
 
[mm]
tg
 
kt
 
[mm]
Usually dispatched within 4 weeks SHT-XY-12 85 56 70 73 145 145 42 2 30 11 6.6 M8 6.4
Usually dispatched within 4 weeks SHT-XY-08 65 42 52 56 96 96 32 1.5 15.5 10 5.5 M6 7
Usually dispatched within 4 weeks SHT-XY-12-PL 85 56 70 73 145 145 42 2 30 11 6.6 M8 6.4
Usually dispatched within 4 weeks SHT-XY-20-EWM-PL 130 86 108 115 202 202 72 2 36 15 9 M10 8.6
More about selected part:
3D-CAD 3D-CAD
Sample request Sample request
PDF PDF
Quote request Quote request
myCatalog myCatalog

Cross slide dimensions [mm]

Order no. sg


d

[mm]
T

l1

[mm]
d1
Standard
d1
Alternativ
l2

[mm]
d2
Standard
d2
Alternativ
ha1

[mm]
ha2

[mm]
W
ha2-ha1
[mm]
Usually dispatched within 4 weeks SHT-XY-12 M6 12 17 TR10x2 6h9 17 6h9 18 38 20
Usually dispatched within 4 weeks SHT-XY-08 M5 8 TR6x2/TR6,35x2,54 15.5 TR6x2/TR6,35x2,54 5 15 5 13 29 16
Usually dispatched within 4 weeks SHT-XY-12-PL M6 12 17 TR10x2 6h9 17 6h9 18 38 20
Usually dispatched within 4 weeks SHT-XY-20-EWM-PL M8 20 26 TR18x4 - 26 12h9 23 63 40
More about selected part:
3D-CAD 3D-CAD
Sample request Sample request
PDF PDF
Quote request Quote request
myCatalog myCatalog
You can order the hand wheel of the y-axis to be mounted left or right.
Left: SHT-XY-12-AWM-L-200-300 for 200 mm stroke lengths in x-direction and 300 mm in y-direction.
Right: SHT-XY-12-AWM-R-200-300 for 200 mm stroke lenghts in x-direction und 300 mm in y-direction

Suitable for this cross slide parts:

Usually dispatched within 1 working day drylin® E - product overview

The consistant development of the toolbox and system concept of the lubrication-free drylin® drive technology.

Usually dispatched within 1 working day
Usually dispatched within 4 weeks

The terms "Apiro", "AutoChain", "CFRIP", "chainflex", "chainge", "chains for cranes", "ConProtect", "cradle-chain", "CTD", "drygear", "drylin", "dryspin", "dry-tech", "dryway", "easy chain", "e-chain", "e-chain systems", "e-ketten", "e-kettensysteme", "e-loop", "energy chain", "energy chain systems", "enjoyneering", "e-skin", "e-spool", "fixflex", "flizz", "i.Cee", "ibow", "igear", "iglidur", "igubal", "igumid", "igus", "igus improves what moves", "igus:bike", "igusGO", "igutex", "iguverse", "iguversum", "kineKIT", "kopla", "manus", "motion plastics", "motion polymers", "motionary", "plastics for longer life", "print2mold", "Rawbot", "RBTX", "RCYL", "readycable", "readychain", "ReBeL", "ReCyycle", "reguse", "robolink", "Rohbot", "savfe", "speedigus", "superwise", "take the dryway", "tribofilament", "tribotape", "triflex", "twisterchain", "when it moves, igus improves", "xirodur", "xiros" and "yes" are legally protected trademarks of the igus® SE & Co. KG/ Cologne in the Federal Republic of Germany and where applicable in some foreign countries. This is a non-exhaustive list of trademarks (e.g. pending trademark applications or registered trademarks) of igus SE & Co. KG or affiliated companies of igus in Germany, the European Union, the USA and/or other countries or jurisdictions.

igus® SE & Co. KG points out that it does not sell any products of the companies Allen Bradley, B&R, Baumüller, Beckhoff, Lahr, Control Techniques, Danaher Motion, ELAU, FAGOR, FANUC, Festo, Heidenhain, Jetter, Lenze, LinMot, LTi DRiVES, Mitsubishi, NUM,Parker, Bosch Rexroth, SEW, Siemens, Stöber and all other drive manufacturers mention on this website. The products offered by igus® are those of igus® SE & Co. KG