Please choose your delivery location

The selection of the country/region page can influence various factors such as price, shipping options and product availability.
Contact
igus® Ireland

51A Caswell Road

Brackmills

Northampton NN4 7PW

+44 1604 677240
igus® Ltd.

Caswell Road

Northampton, NN4 7PW

01604 677240
IE(EN)

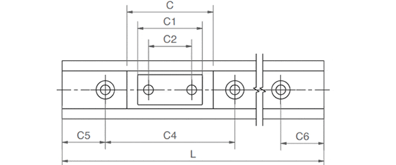
drylin® N - Low profile linear guide system long NW-11-27-80

Order no. Max. rail lengths a C4 A3 C5=C6 h h1 K1* ly lz Weight of rail Price / m  
  [L max.]       Min. max.       [mm2] [mm2] [g/m]    
Usually dispatched within 1 working day NS-01-27 3000 27 60 0 20 20/49,5 9 1.1 M4 6524 588 290 44.18 EUR Add to shopping cart
Usually dispatched within 1 working day NS-01-27-UNGEBOHRT 3000 27 0 0 0 9 1.1 0 6524 588 290 40.21 EUR Add to shopping cart
Usually dispatched within 1 working day NS-01-27-AR 3000 27 60 0 20 20/49,5 9 1.1 M4 6524 588 290 46.82 EUR Add to shopping cart
More about selected part:
3D-CAD 3D-CAD
Sample request Sample request
PDF PDF
Quote request Quote request
myCatalog myCatalog

For unbored rails please indicate "Unbored" in the remark.
* for cylinder screw with low head

Version 04: Double carriage with through hole

Order no. Designation Weight of carriage    
    [g]    
Usually dispatched within 8 working days NW-11-27-80-LLY Carriage with plain hole, floating bearing y-direction 25 14.06 EUR Add to shopping cart
Usually dispatched within 8 working days NW-11-27-80-LLZ Carriage with plain hole, floating bearing z-direction 25 14.06 EUR Add to shopping cart
Usually dispatched within 8 working days NW-11-27-80-LLYZ Carriage with plain hole, floating bearing y and z-direction 25 14.06 EUR Add to shopping cart
More about selected part:
3D-CAD 3D-CAD
Sample request Sample request
PDF PDF
Quote request Quote request
myCatalog myCatalog

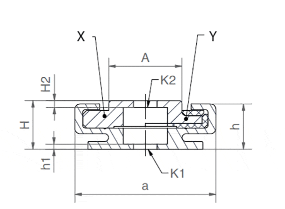
Version 11: Dimensions [mm] - guide carriages

Part. No. H A C C1 C2 A2 H2 K2 K3 K4 Sp min. Dp Ø min. Weight
  ±0,35                       [g/m]
Usually dispatched within 8 working days NW-11-27-80-LLY 9.5 14 80 76 60 0 1.5 0 0 25
Usually dispatched within 8 working days NW-11-27-80-LLZ 9.5 14 80 76 60 0 1.5 0 0 25
Usually dispatched within 8 working days NW-11-27-80-LLYZ 9.5 14 80 76 60 0 1.5 0 0 25
More about selected part:
3D-CAD 3D-CAD
Sample request Sample request
PDF PDF
Quote request Quote request
myCatalog myCatalog

Ordering of a complete system

Configuration in few steps:

1. Selection of the number of carriages
2. Selection of the type of carriage
3. Entry of the rail length in mm
4. Selection of the carriage options
5. Selection of the rails options.

Hint:

Detailed information can be found below in the drawings as well as in the below-mentioned pages. You can obtain precise specifications on the floating bearing options within the design rules.
1

no floating bearing

2

Floating bearing in z-direction

3

Floating bearing in y-direction

4

Floating bearing in yz-direction

drylin® NK-11-27-80 – complete system

Step 1

Enter the required number of carriages.

technical drawing
No. of carriages:

X = Version: one-piece | Y = Version: multi-piece

Usually dispatched within 1 working day
Usually dispatched within 8 working days

The terms "Apiro", "AutoChain", "CFRIP", "chainflex", "chainge", "chains for cranes", "ConProtect", "cradle-chain", "CTD", "drygear", "drylin", "dryspin", "dry-tech", "dryway", "easy chain", "e-chain", "e-chain systems", "e-ketten", "e-kettensysteme", "e-loop", "energy chain", "energy chain systems", "enjoyneering", "e-skin", "e-spool", "fixflex", "flizz", "i.Cee", "ibow", "igear", "iglidur", "igubal", "igumid", "igus", "igus improves what moves", "igus:bike", "igusGO", "igutex", "iguverse", "iguversum", "kineKIT", "kopla", "manus", "motion plastics", "motion polymers", "motionary", "plastics for longer life", "print2mold", "Rawbot", "RBTX", "RCYL", "readycable", "readychain", "ReBeL", "ReCyycle", "reguse", "robolink", "Rohbot", "savfe", "speedigus", "superwise", "take the dryway", "tribofilament", "tribotape", "triflex", "twisterchain", "when it moves, igus improves", "xirodur", "xiros" and "yes" are legally protected trademarks of the igus® SE & Co. KG/ Cologne in the Federal Republic of Germany and where applicable in some foreign countries. This is a non-exhaustive list of trademarks (e.g. pending trademark applications or registered trademarks) of igus SE & Co. KG or affiliated companies of igus in Germany, the European Union, the USA and/or other countries or jurisdictions.

igus® SE & Co. KG points out that it does not sell any products of the companies Allen Bradley, B&R, Baumüller, Beckhoff, Lahr, Control Techniques, Danaher Motion, ELAU, FAGOR, FANUC, Festo, Heidenhain, Jetter, Lenze, LinMot, LTi DRiVES, Mitsubishi, NUM,Parker, Bosch Rexroth, SEW, Siemens, Stöber and all other drive manufacturers mention on this website. The products offered by igus® are those of igus® SE & Co. KG